Blog
Heim Blog

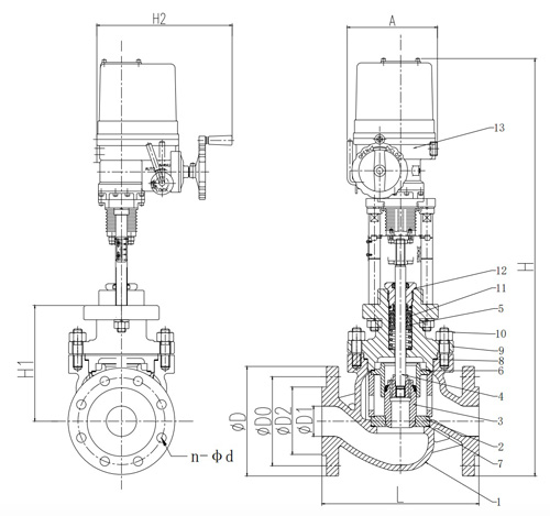
Elektrisches Druckausgleichs-Einsitz-Regelventil mit Doppelklappe auf jeder Seite

Elektrisches Druckausgleichs-Einsitz-Regelventil mit Doppelklappe auf jeder Seite

November 30, -0001

Einführung:

 

In der dynamischen Welt industrieller Prozesse ist präzise Steuerung von größter Bedeutung. Wir präsentieren die revolutionäre Technologie von GEKO. Elektrisches Druckausgleichs-Einsitz-Regelventil mit Doppelklappe Auf beiden Seiten eine hochmoderne Lösung, die Ihre Kontrollmöglichkeiten auf ein beispielloses Niveau hebt.

 

Electric-Pressure-Balance-Single-Seat-Control-Valve-with-a-Double-Flap-On-Each-Side.jpg

 

Hauptmerkmale:

 

Präzision neu definiert:

GEKO's Elektrisches Druckausgleichsventil Es wurde entwickelt, um eine unübertroffene Präzision bei der Steuerung von Durchflussmenge und Druck zu gewährleisten. Die Doppelklappenkonstruktion auf jeder Seite sorgt für eine reaktionsschnelle und genaue Modulation und ermöglicht so eine optimale Prozesssteuerung in verschiedensten Anwendungen.

 

Druckausgleichstechnologie:

Die in diesem integrierten Druckausgleichstechnologie Regelventil Gewährleistet Stabilität und Zuverlässigkeit im Betrieb. Dank GEKOs Engagement für Spitzentechnologie profitieren Sie von gleichbleibender Leistung auch unter anspruchsvollen und schwankenden Prozessbedingungen.

 

Doppelklappenvorteil:

Die Doppelklappenkonstruktion auf jeder Seite des Ventils ist bahnbrechend. Sie verbessert die Regelgenauigkeit, minimiert die Hysterese und optimiert die Ansprechzeit. Dieses innovative Merkmal hebt GEKO als führendes Unternehmen in der Regelventiltechnik hervor.

 

Entfesselte Vielseitigkeit:

Ob in der Chemie-, Petrochemie-, Energieerzeugungs- oder anderen Prozessindustrien – das elektrische Druckausgleichsventil von GEKO ist für ein breites Anwendungsspektrum konzipiert. Seine Vielseitigkeit macht es zur idealen Lösung für Ingenieure und Anlagenbediener, die ein zuverlässiges und anpassungsfähiges Regelventil suchen.

 

Nahtlose Integration:

Die Integration in bestehende Steuerungssysteme erfolgt nahtlos und ermöglicht so ein problemloses Upgrade Ihrer aktuellen Konfiguration. Profitieren Sie von den Vorteilen moderner Steuerungstechnik ohne aufwendige Umbauten.

 

Robuste Konstruktion:

GEKO versteht die Anforderungen industrieller Umgebungen. Das Regelventil ist auf Langlebigkeit ausgelegt und zeichnet sich durch eine robuste Konstruktion aus, die eine lange Lebensdauer und minimalen Wartungsaufwand gewährleistet und somit zur Gesamtkosteneffizienz beiträgt.

 

Abschluss:


Das elektrische Druckausgleichs-Einsitzventil von GEKO mit je einer Doppelklappe ist eine wegweisende Lösung für Branchen, die Präzision, Effizienz und Zuverlässigkeit benötigen. Optimieren Sie Ihre Steuerungsmöglichkeiten und sichern Sie sich Wettbewerbsvorteile mit GEKOs Innovationsgeist und Exzellenz. Investieren Sie in die Zukunft der Steuerungstechnik – entscheiden Sie sich für GEKO. info@geko-union.com

 

Eine Nachricht hinterlassen

Eine Nachricht hinterlassen
Wenn Sie an unseren Produkten interessiert sind und weitere Details wissen möchten, hinterlassen Sie hier eine Nachricht, wir werden Ihnen so schnell wie möglich antworten.
EINREICHEN

Heim

PRODUKTE

Kontakt